|
漿液閥(fa)
|
|
發表時間:2011-5-26 文(wén)字 〖 大
中
小
〗 閱(yuè)讀次數:4143 [關閉(bi)窗口]
|
|
|
|
|
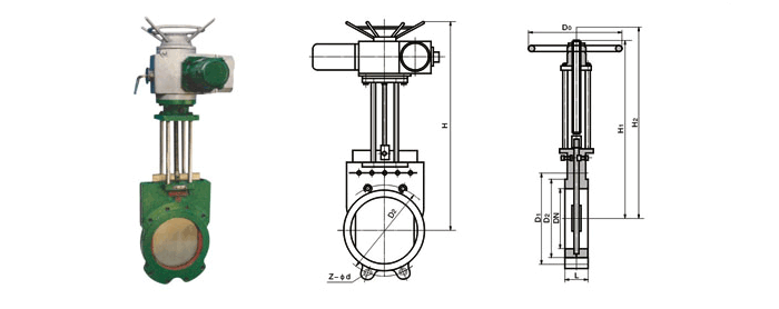
公稱通(tōng)經DN
|
主要外形(xing)尺寸和連接(jiē)尺寸(mm)
|
WT(kg)
|
|
L
|
D1
|
D2
|
Z-ØD
|
H
|
H1
|
DO
|
Z73X-2.5 Z73X-6 Z573X-2.5 Z573X-6 Z573X-10
Z673X-2.5 Z673X-6 Z673X-10 Z973X-2.5 Z973X-6 Z973X-10
|
|
50
|
40
|
125
|
100
|
4-M16
|
337
|
268
|
180
|
80
|
|
65
|
40
|
145
|
120
|
4-M16
|
357
|
291
|
180
|
90
|
|
80
|
50
|
160
|
135
|
8-M16
|
400
|
316
|
180
|
112
|
|
100
|
50
|
180
|
155
|
8-M16
|
466
|
364
|
200
|
140
|
|
150
|
60
|
270
|
210
|
8-M20
|
633
|
478
|
240
|
195
|
|
200
|
60
|
295
|
265
|
8-M20
|
744
|
543
|
280
|
260
|
|
250
|
70
|
350
|
318
|
12-M20
|
940
|
687
|
360
|
370
|
|
300
|
70
|
400
|
368
|
12-M20
|
1087
|
783
|
400
|
455
|
|
350
|
80
|
460
|
430
|
16-M20
|
1238
|
885
|
400
|
640
|
|
400
|
80
|
515
|
482
|
16-M24
|
1394
|
994
|
400
|
960
|
|
450
|
90
|
565
|
532
|
20-M24
|
1550
|
1100
|
400
|
1280
|
|
500
|
90
|
620
|
585
|
20-M24
|
1700
|
1200
|
400
|
1710
|
|
600
|
100
|
725
|
685
|
20-M27
|
2080
|
1480
|
400
|
1895
|
|
700
|
100
|
840
|
800
|
20-M27
|
1720
|
2470
|
800
|
2100
|
|
800
|
120
|
950
|
905
|
20-M30
|
2000
|
2900
|
800
|
2410
|
|
900
|
120
|
1050
|
1005
|
20-M30
|
2130
|
3100
|
800
|
2660
|
|
Z73X-16C Z573X-16C Z673X-16C Z973X-16C
|
|
200
|
60
|
295
|
180
|
12-M20
|
754
|
552
|
240
|
265
|
|
250
|
68
|
355
|
230
|
12-M24
|
945
|
692
|
240
|
376
|
|
300
|
78
|
410
|
280
|
12-M24
|
1010
|
788
|
370
|
455
|
|
350
|
78
|
470
|
330
|
16-M24
|
1245
|
890
|
370
|
648
|
|
400
|
102
|
525
|
380
|
16-M24
|
1685
|
1000
|
400
|
970
|
|
450
|
114
|
585
|
430
|
20-M27
|
1835
|
1110
|
400
|
1300
|
|
500
|
127
|
650
|
480
|
20-M30
|
1926
|
1230
|
400
|
1760
|
|
600
|
154
|
770
|
700
|
20-M36
|
2360
|
1500
|
800
|
1980
|
文章分(fèn)頁:
1
|
|
|
|